您好,欢迎光临无锡诚和滑导电器有限公司官网!加入收藏  |  网站地图
产品中心 > 电缆滑车系列     您所在的位置:首页 > 产品中心 > 电缆滑车系列
电缆滑车

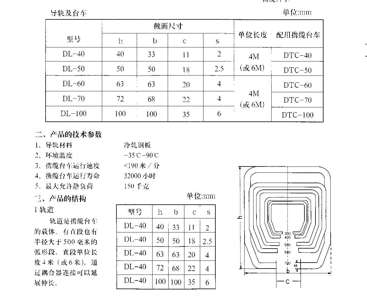
DL系列电缆滑线导轨由轨道、携缆台车、扁平软电缆及悬吊、固定配件组成。该产品以其完备的性能广泛地应用于烟草机械、铁路货场、港口等一切移动式行车的输电系统中



上一条:电缆滑车部件
下一条:电缆滑车
【返回上页】
联系人:丁胜军 13606195054 电话:0510-85067108 传真:0510-85073855 地址:无锡市钱姚路88号勤新工业园K3-1
邮件:sales@wxchenghe.com 网址:http://www.wxchenghe.com 邮编:214037
COPYRIGHT © 集电器|滑触线集电器|安全滑触线|行车滑触线|刚体滑触线|导管式滑触线|铜滑触线|电缆滑车|集电器无锡诚和滑导电器有限公司 ALL RIGHTS RESERVED
苏ICP备11058803号-1   |  网站管理